10 / 22

Kit de consoles pour collier Type 170 FL

KIT console pour collier type 170 FL medium, zingué

Afficher liste de variantes
No. art.: 167717
Modèle: Version medium
Unité de livraison: 1 Pièce
Poids/MU: 4,000 kg
Pièce

Applications

  • Système de support de tuyauterie haute résistance, avec reprise de charge axiale
  • Associé au collier point fixe Type 170 FL, le point fixe idéal pour les tuyauteries d'eau glacée
  • Particulièrement adapté en tant que structure réglable

Avantages

  • Réglable en hauteur et en pente
  • Peut être utilisé pour compenser des différences de niveaux
  • Idéalement adapté pour la reprise de fortes charges axiales
Brève description
KIT console pour collier type 170 FL medium, zingué
Modèle
Version medium
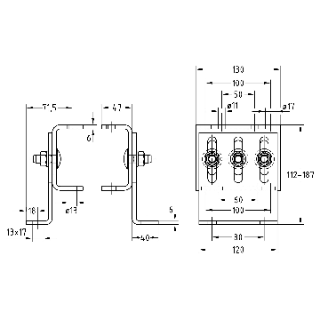
Hauteur de construction [mm]
112 - 187 mm
Type de produit
Points fixes
Pour diamètre extérieur du tube
76,1 - 219,1 mm
Matériau
Acier
Surface
électrozingué
eCl@ss 7.1
23-35-01-90
eCl@ss 11.1
23-35-01-90
Contenu de la livraison
1 Kit se compose de : 2 Equerres de fixation, 2 Cornières d’adaptation, 6 Vis tête ronde collet carré M12, 6 Ecrous hexagonaux M12, 6 Rondelles pour M12. Toutes les pièces sont électrozinguée.
Plage de réglage
75 mm
Tarifaire code douanier
83025000
Pour plus de détails techniques, consultez la fiche technique.