Equerre plate MPT

Equerre plate en T MPT, pour Profil Q100, Q150, galv. à chaud

Afficher liste de variantes
No. art.: 151340
Modèle: Equerre plate en T
Unité de livraison: 1 Pièce
Poids/MU: 2,330 kg
Pièce

Applications

  • Pour la jonction plane des profilés MPT

Avantages

  • Assemblage rapide par boulon rail MPT
  • Une galvanisation à chaud de haute qualité pour une utilisation intérieure et extérieure
Brève description
Equerre plate en T MPT, pour Profil Q100, Q150, galv. à chaud
Systèmes de rails
pour profil MPT
Modèle
Equerre plate en T
Type de produit
Pièces d'annexion
Pour profils
Q100-2,5, Q100-3,5, Q150-2,5
Matériau
Acier
Surface
galvanisé à chaud
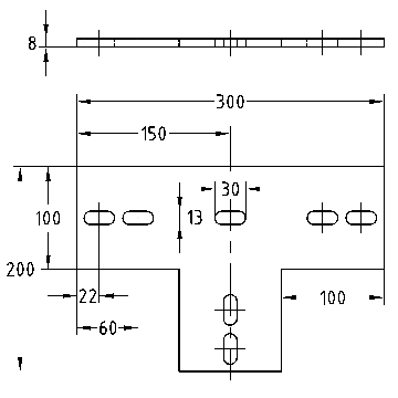
Largeur
200 mm
eCl@ss 11.1
23-36-02-90
eCl@ss 7.1
23-36-02-90
Épaisseur
8 mm
Longueur
300 mm
Tarifaire code douanier
73269060
Pour plus de détails techniques, consultez la fiche technique.